公司地址:杭州市滨江区科技馆路
1505号凯瑞金座
联系电话:0571-88129748
联系人:王先生

2.1产品概述
ZW20-12柱上真空断路器采用成熟的箱式密封结构,内部充以SF6气体,具有良好的密封性能,使之不受外界环境影响,是一种免维护产品。其弹簧操动机构采用直动链条主传动和多级脱扣系统,动作可靠性高。ZW20-12柱上真空断路器应用广泛,本体增加了过流保护,机构弹簧储能指示,并配备航空插座作二次电气连接,便于与智能化控制器相结合等功能。
2.2产品特点
1)采用三相共箱式结构,操动机构及带电主回路,均密封在零表压气室内,免维护。
2)具有防爆功能,安装方式可采用吊装或座装。
3)进出线采用环氧树脂与硅橡胶APG工艺合成套管,运行安全可靠。
4)操动机构可选用永磁操动机构或弹簧操动机构,永磁机构可选配手动合闸功能。
2.3技术参数
|
序号 |
名 称 |
单位 |
参数 |
|||
|
1 |
额定电压 |
kV |
12 |
|||
|
2 |
额定电流 |
A |
630 |
|||
|
3 |
额定频率 |
Hz |
50 |
|||
|
4 |
额定短路开断电流 |
kA |
20 |
25 |
||
|
5 |
额定短路电流开断次数 |
次 |
30 |
|||
|
6 |
额定短路关合电流(峰值) |
kA |
50 |
63 |
||
|
7 |
额定短时耐受电流 |
|
20 |
25 |
||
|
8 |
额定峰值耐受电流 |
|
50 |
63 |
||
|
9 |
额定短路持续时间 |
s |
4 |
|||
|
10 |
额定绝缘水平 |
工频耐受电压1min |
干试(相间、对地/断口) |
kV |
42/48 |
|
|
湿试(相间、对地) |
34 |
|||||
|
雷电冲击耐受电压峰值(相间、对地/断口) |
kV |
75/85 |
||||
|
工频耐受电压1min(辅助和控制回路对地) |
kV |
2 |
||||
|
11 |
机械 寿命 |
弹簧机构 |
次 |
10000 |
||
|
永磁机构) |
30000 |
|||||
|
12 |
额定操作顺序 |
|
分-0.3s-合分-180s-合分 |
|||
|
13 |
SF6气体额定压力(表压) |
MPa |
0 |
|||
|
14 |
SF6气体年泄漏率 |
|
≤0.05% |
|||
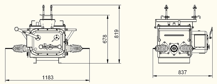
2.4外形尺寸
2.5一二次融合应用
ZW20-12型柱上一二次融合断路器成套装置由户外真空断路器、馈线终端及连接电缆组成,融合电子式传感器、线损采集模块等先进技术。满足国网一二次融合相关技术要求,主要适用于三相交流50Hz、额定电压12kV的户外配电系统,用于线路分段、联络、分支、用户分界等场合。在配电线路中起分断、控制、保护和线损采集的作用。提高配电一二次设备的标准化、集成化水平,提升配电设备运行水平、运维质量与效率,满足线损管理的技术要求,服务配电自动化建设。


