公司地址:杭州市滨江区科技馆路
1505号凯瑞金座
联系电话:0571-88129748
联系人:王先生

3.1产品概述
LW3-12户外柱上SF6断路器是我公司根据国网一二次融合新要求而开发的新一代产品,开关配置完全符合国网一二次融合成套要求。开关设计结构紧凑,布局合理,功能齐全,各项指标均符合国网一二次融合要求;采用统一参数的保护CT、零序CT和零序电压传感器,具有测量范围宽,测量精度高,可靠性高的特点,模拟量齐全便于准确判定线路各种故障。3.2产品特点
1)断路器采用弹簧操动机构,具有手动或电动操作的功能;
2)断路器采用SF6作为绝缘和灭弧介质,采用旋弧式灭弧原理,结构简单,可靠性高;
3)断路器具有SF6气体压力传感器,当气压降低到临界位置时自动闭锁、报警、指示;
4)为保证操作者及公共安全,断路器具有高气压泄压防爆装置;
5)内置电子式零序电压传感器,可满足国网一二次融合的要求;
3.3技术参数
|
序号 |
项目 |
单位 |
参数 |
||
|
1 |
额定电压 |
kV |
12 |
||
|
2 |
额定电流 |
A |
630 |
||
|
3 |
额定频率 |
Hz |
50 |
||
|
4 |
额定短时耐受电流(4s) |
kA |
20 |
||
|
5 |
额定峰值耐受电流 |
kA |
50 |
||
|
6 |
额定电缆充电电流 |
A |
25 |
||
|
7 |
额定短路开断电流 |
kA |
20 |
||
|
8 |
额定操作顺序 |
|
分-0.3s-合分-180s-合分 |
||
|
9 |
额定工作压力(表压Mpa 20℃时) |
Mpa |
0.35 |
||
|
10 |
最低功能压力(表压Mpa20℃时) |
Mpa |
0.25 |
||
|
11 |
机械寿命(额定机械稳定性次数) |
次 |
10000 |
||
|
12 |
额定绝缘水平 |
工频耐受电压1min |
干试(相间、对地/断口) |
kV |
42/48 |
|
湿试(相间、对地) |
|
34 |
|||
|
雷电冲击(相间、对地/断口) |
kV |
75/85 |
|||
|
工频耐受电压1min(辅助和控制回路对地) |
kV |
2 |
|||
|
15 |
SF6气体年泄漏率 |
|
≤0.05% |
||
|
16 |
操动电压 |
V |
DC24/48等 |
||
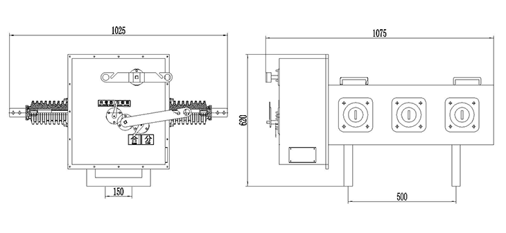
3.4外形尺寸
LW3-12型柱上一二次融合断路器成套装置由户外真空断路器、馈线终端及连接电缆组成,融合了电子式传感器、线损采集模块等先进技术。满足国网一二次融合相关技术要求。主要适用于三相交流50Hz、额定电压12kV的户外配电系统,用于线路分段、联络等场合。在配电线路中起分断、控制、线损采集的作用。

